返回首页
加入收藏
公司概况
公司简介
企业文化
组织框架
公司一览
资讯动态
综合新闻
市场动态
产品服务
电磁铁
SA牵引电磁铁
AS牵引电磁铁
DC电磁铁
TH系列阀用电磁铁线圈
电磁铁其他注意点解说
MQ牵引电磁铁
阀用电磁铁
FS卡轨式带显示熔断器座
PD-76AB液位控制器
AZ系列高精度行程开关
交流接触器
断路器
ZR20阻容过电压吸收器
三相组合式过电压保护器
氧化锌避雷器
高压电气附件
故障指示器系列
带电显示器系列
传感器系列
接地开关系列
避雷器选型表
温湿度控制器系列
消谐器系列
高压熔断器
成套电气
营销服务
经营理念
营销网络
合作中心
客户反馈
品质认证
品质控制
荣誉证书
联系我们
低压电气
电磁铁
FS卡轨式带显示熔断器座
PD-76AB液位控制器
AZ系列高精度行程开关
交流接触器
断路器
高压电气
ZR20阻容过电压吸收器
三相组合式过电压保护器
氧化锌避雷器
高压电气附件
成套电气
长虹电气新闻:
介绍一种超高层建筑内部供电用吊装电缆
2013-12-28
更多文章>>
产品展示
PRODCUTS
当前位置:
首页
>>
产品展示
>
高压电气附件
>
接地开关系列
>
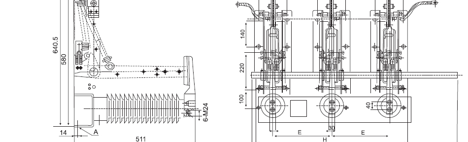
产品名称:JN22-40.5、31.5型户内高压接地开关
同系列产品
JN22(B)-...
JN15-24、...
JN15-12型...
Copyright © 2014 版权所有 温州市长核智能科技有限公司
浙ICP备18036811号-1
此亦我公司注册商标